- Гладкий вал
- Ступенчатый вал
- Шлицевой вал
- Вал-шестерня
- Червячный вал
- Полый вал
- Эксцентриковый вал
- Кулачковый вал
- Коленчатый вал
- Торсионный вал
- Вал планетарной передачи
- Ходовой винт
- Цилиндрические прямозубые шестерни
- Цилиндрические косозубые шестерни
- Шевронные шестерни
- Конические прямозубые шестерни
- Конические тангенциальные шестерни
- Конические спиральные шестерни
- Конические гипоидные шестерни
- Секторные шестерни
- Шестерни с внутренним зацеплением
- Клиновидные шкивы
- Зубчатые шкивы
- Плоскоременные шкивы
- Круглокоременные шкивы
- Многоручьевые шкивы
- Тормозные шкивы
- Цилиндрическая втулка
- Коническая втулка
- Резьбовая втулка
- Подшипниковая втулка
- Ступенчатая втулка
- Перфорированная втулка
- Переходная втулка
- Втулка скольжения
- Втулка разъемная
- Однорядные звездочки
- Двухрядные звездочки
- Трехрядные звездочки
- Многорядные звездочки
- Звездочки со ступицей
- Звездочки под втулку тапербуш
- Зубчатое колесо цилиндрическое прямозубое
- Зубчатое колесо цилиндрическое косозубое
- Зубчатое колесо цилиндрическое шевронное
- Зубчатое колесо коническое прямозубое
- Зубчатое колесо коническое с тангенциальными зубьями
- Зубчатое колесо коническое спиральное
- Зубчатое колесо коническое гипоидное
- Зубчатое колесо червячное
- Зубчатое колесо реечное
- Зубчатое колесо внутреннего зацепления
- Зубчатые венцы с наружным зацеплением зубьев
- Зубчатые венцы с внутренним зацеплением зубьев
- Кольца большого диаметра
- Днища эллиптические ГОСТ 17379-2001
- Днища эллиптические ГОСТ 6533-78
- Днища штампованные ТУ 102-488-95
- Заглушки фланцевые плоские по ГОСТ 12836-67
- Заглушки поворотные по стандарту ASME b16.5
- Заглушки фланцевые с соединительным выступом ОСТ 34-10-428-90
- Заглушки фланцевые АТК 24.200.02-90
- Заглушки эллиптические ГОСТ 17379-2001
- Заглушки плоские приварные ОСТ 34.10.758-97
- Отводы бесшовные (горячедеформированные)
- Отводы сварные (секторные)
- Отводы гнутые (холодногнутые)
- Отводы штампосварные
- Концентрические переходы
- Эксцентрические переходы
- Бесшовные переходы
- Штампосварные переходы
- Сварные лепестковые переходы
Изготовление насосных насосных штанг на заказ по чертежам Клиента
ООО Апгрейд оказывает услуги по изготовлению металлических насосных штанг, предназначенных для соединения колонны насосных штанг с наземным приводом штанговой установки, на заказ по чертежамс учетом всех требований Клиента.
Предлагаем услуги по штучному и серийному производству, обеспечивая достижение высокого качества, требуемых физико-механических характеристик, соответствие готовой продукции НТД и соблюдение сроков выполнения заказов.
Сырье для изготовления насосных штанг
Изготавливаем штанги нефтегазового назначения из конструкционных, инструментальных, нержавеющих, жаропрочных, жаростойких и др. специальных сталей и сплавов.
В качестве заготовок для будущих деталей берем металлопрокат из складского наличия. Каждая заготовка проходит контроль качества, с целью достижения требуемых характеристик, обеспечения долговечности и точности конечного изделия.
Изготовляем следующие виды насосных штанг: Отправить запрос
Наши производственные мощности:
- Кузнечный
- Литейный цех
- Термический цех
- Конструкторское бюро
- Цех механической обработки
- Лаборатория разрушающего и неразрушающего контроля
Купить насосные штанги нефтегазового назначения
Заказать изготовление насосных штанг по выгодной цене можно в компании Апгрейд, отправив заявку по e-mail info@9hs.ru, через форму обратной связи на сайте или связавшись с нашим менеджером по телефону 7 (495) 984-97-09.
Процесс работы с клиентом
Фотогалерея "Изготовленные детали по чертежам"
Фотогалерея "Мехобработка деталей"
Преимущества работы с нами
При заказе товара клиенту предоставляется
Справочная информация
Насосные штанги — это длинномерные стержни круглого сечения с резьбовыми концами, предназначенные для передачи возвратно-поступательного движения от привода на поверхность к глубинному насосу в скважине. Они являются важным элементом штанговых насосных установок, применяемых в нефтедобыче для подъема жидкости из пластов.

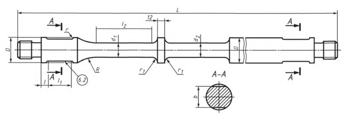
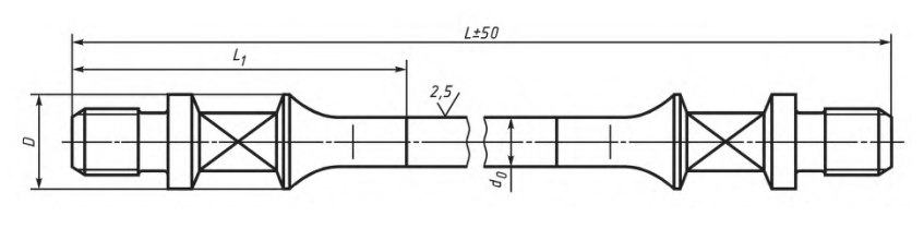
Рис.1. Насосные штанги
Материал изготовления
Насосные штанги изготавливаются из высокопрочной легированной или углеродистой стали, обладающей высокой усталостной прочностью, износостойкостью и коррозионной стойкостью. Для работы в агрессивных средах применяются стали с повышенным содержанием хрома или никеля, а также штанги с антикоррозионными покрытиями (фосфатирование, меднение, полимерные слои).
Виды металлических насосных штанг
- Обычные гладкие штанги — используются в стандартных условиях эксплуатации, имеют цилиндрическую форму и резьбовые концы для соединения с муфтами.
- Усиленные штанги — изготавливаются из стали повышенной прочности, применяются в глубоких и наклонно-направленных скважинах.
- Покрытые штанги — имеют защитное покрытие для работы в коррозионно-активных средах.
- Профилированные (утолщенные) штанги — используются в зонах с повышенной нагрузкой, снижают риск усталостных поломок.
- Полые штанги — обеспечивают подачу химических реагентов в зону насоса для предотвращения отложений и коррозии.
|
Металлическая штанга с высаженными головками (ШН) |
Утяжеленная штанга |
|
|
|
|
|
|
|
Металлическая штанга с приваренными головками (ШНП) |
Металлическая полая штанга с приваренными головками (ШНПП) |
|
|
|
Назначение
- Передача механического движения от станка-качалки или другого привода к глубинному насосу.
- Обеспечение непрерывной и надежной работы насосной установки в скважине.
- Устойчивость к нагрузкам, связанным с изгибом, кручением и растяжением.
- Возможность эксплуатации в агрессивных средах с повышенным содержанием газа, воды, сероводорода и углекислоты.







