Изготовление конических спиральных шестерней любой сложности на заказ по чертежам Клиента
ООО Апгрейд оказывает услуги по изготовлению конических спиральных шестерней любой сложности на заказ по чертежам с учетом всех требований Клиента:
- Изготовление конических спиральных шестерней с нуля (включая разработку чертежей и проектирование 3D-модели детали).
- Изготовление конических спиральных шестерней по образцу при отсутствии чертежей (востребовано при импортозамещении и изготовлении деталей для спецтехники).
Предлагаем услуги по штучному и серийному производству, обеспечивая достижение высокого качества, требуемых физико-механических характеристик, соответствие готовой продукции НТД и соблюдение сроков выполнения заказов.
Сырье для изготовления конических спиральных шестерней
Изготавливаем конические спиральные шестерни из конструкционных, инструментальных, нержавеющих, жаропрочных, жаростойких и др. специальных сталей и сплавов.
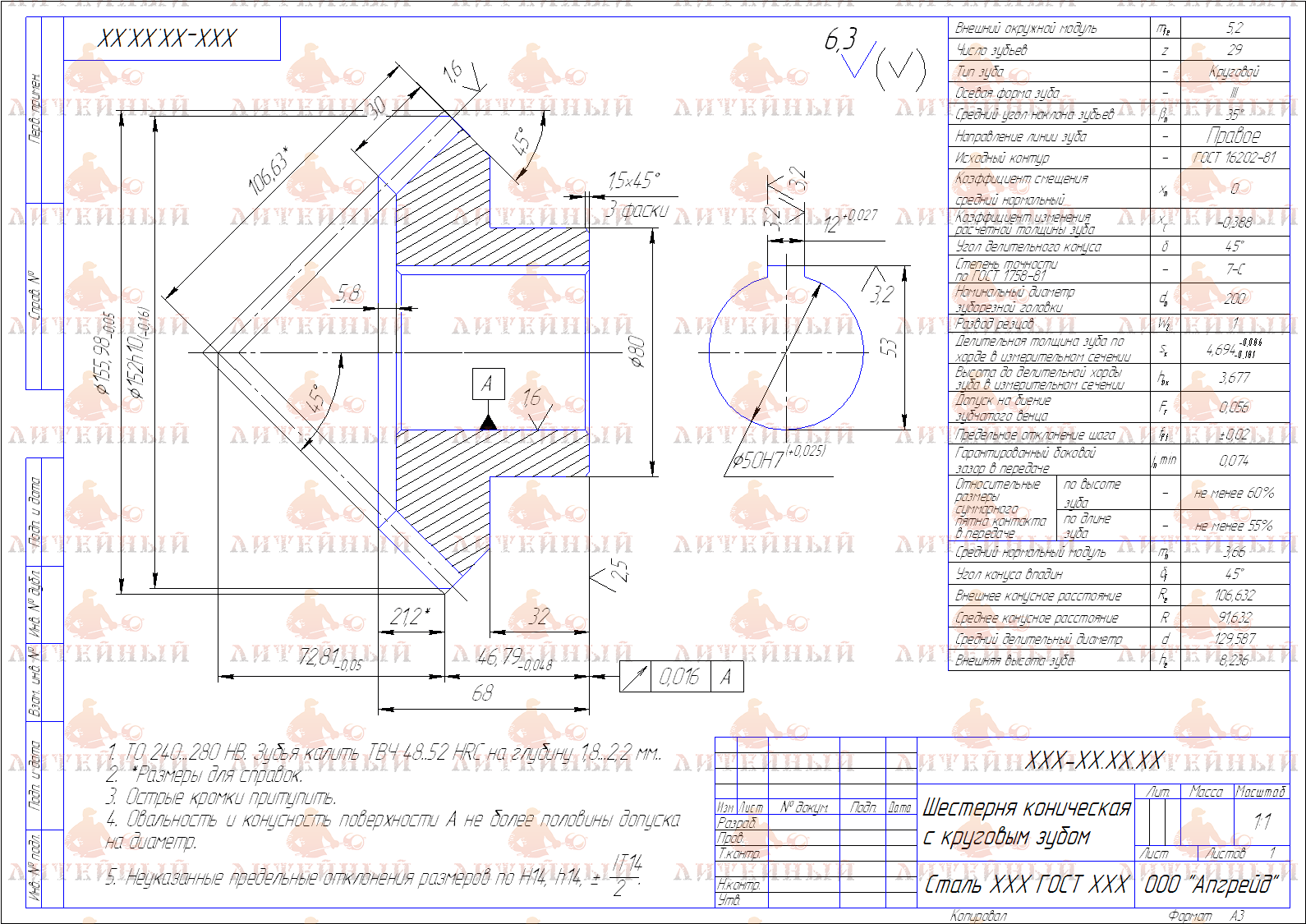
В качестве заготовок для будущих деталей берем поковки, штамповки собственного производства или металлопрокат из складского наличия. Каждая заготовка проходит контроль качества, с целью достижения требуемых характеристик, обеспечения долговечности и точности конечного изделия.
Процесс изготовления конических спиральных шестерней на нашем производстве включает следующие этапы: Отправить запрос
Наши производственные мощности:
- Кузнечный
- Литейный цех
- Термический цех
- Конструкторское бюро
- Цех механической обработки
- Лаборатория неразрушающего контроля
- Лаборатория разрушающего контроля
Изготовление других видов шестерен:
Предлагаем услуги по изготовлению других видов шестеренок:
Купить конические спиральные шестерни
Заказать изготовление конических спиральных шестерней по выгодной цене можно в компании Апгрейд, отправив заявку по e-mail info@9hs.ru, через форму обратной связи на сайте или связавшись с нашим менеджером по телефону 7 (495) 984-97-09.
Процесс работы с клиентом
 
                 
                 
                 
                 
                 
                 
                 
                Фотогалерея
Преимущества работы с нами
При заказе товара клиенту предоставляется
Справочная информация
Конические спиральные шестерни — это зубчатые колёса, у которых зубья нарезаны по винтовой линии на поверхности конуса. В отличие от прямозубых конических передач, контакт зубьев начинается постепенно, с плавным скольжением, поэтому работа пары более тихая и устойчивая. Такая геометрия позволяет передавать большие крутящие моменты между пересекающимися валами (обычно под углом 90°) при высоких скоростях.
	
Рис.1. Коническая передача
1 – шестерня, 2 и 5 – шпонки, 3 и 6 – валы, 4 - колесо
Виды
- Классические спиральные – зубья с постоянным углом наклона по всей длине. Наиболее распространённый вариант для промышленных редукторов и транспортных механизмов.
- Гипоидные (смещённые) – оси валов не пересекаются, а имеют небольшое смещение. Отличаются повышенной плавностью и возможностью передавать большие моменты.
- Зеролитовые (Зерол) – переходный тип с малым углом спирали (5–10°), обеспечивающий сочетание свойств прямого и спирального зуба.
- Разъёмные или составные – венец изготавливается отдельно и крепится на ступице, что удобно для крупногабаритных узлов.
Основные характеристики при проектировании
Проектирование спирально-конической передачи требует комплексного расчёта геометрии, прочности и точности.
| 1. Исходные данные | |
| Передаваемая мощность и крутящий момент | Определяют масштаб всей передачи. Эти данные напрямую влияют на выбор модуля, ширины венца и марки стали. | 
| Скорость вращения | Ключевой фактор для оценки динамических нагрузок, выбора класса точности, смазки и необходимости балансировки. | 
| Угол пересечения валов | Угол пересечения валов – чаще всего 90°, но допускаются углы 60–120°. Именно этот угол определяет форму делительного конуса. | 
| Характер нагрузки | Характер нагрузки – постоянная, переменная, ударная, реверсивная. Для каждого режима вводят коэффициенты запаса прочности. | 
| 2. Геометрия зубчатого зацепления | |
| Модуль зацепления m | Модуль зацепления m – основной масштаб зубьев. Используется нормальный модуль, как для косозубых и спиральных передач. | 
| Число зубьев z | Число зубьев z – влияет на передаточное отношение и диаметр делительного конуса. Минимальное количество подбирают для исключения подрезания. | 
| Угол спирали β | Угол спирали β – обычно 20–40°. Чем он больше, тем плавнее зацепление и выше несущая способность, но тем сложнее изготовление. | 
| Ширина зубчатого венца b | Ширина зубчатого венца b – подбирается в пределах 8…12 m, но не более 1/3 длины образующей делительного конуса, чтобы не искажать профиль при нарезке. | 
| Коэффициент перекрытия | Коэффициент перекрытия – целевое значение не ниже 1,5 для снижения вибраций и шумов. | 
| Боковой зазор | Назначается с учётом тепловых деформаций и производственных допусков. | 
| Класс точности | По ГОСТ/ISO: для высокоскоростных передач 6–7-й, для тихоходных 8–9-й. | 
| 3. Прочностные расчёты | |
| Контактная прочность | Рассчитывают по методу Герца с поправками на угол спирали, динамические коэффициенты и распределение нагрузки. | 
| Изгиб зубьев | Анализ напряжений в основании зуба, учитывая ширину и угол наклона. | 
| Динамические нагрузки | Динамические нагрузки – корректирующие коэффициенты на вибрации, перекосы валов и тепловое расширение. | 
| 4. Смазка и охлаждение | |
| Смазка | 
 | 
| 5. Технологичность | |
| Технология | 
 | 
| Тип заготовки | Заготовки чаще всего — поковки с контролем волокнистой структуры. | 
Материалы изготовления
Для спирально-конических шестерён применяют стали с высокой износостойкостью и прокаливаемостью:
- Цементуемые: 18ХГТ, 20ХН, 20ХН2М, 18ХНВА — обеспечивают твёрдость поверхности 58–62 HRC при вязком сердечнике.
- Закаливаемые в масле: 40Х, 40ХНМА, 35ХГСА — для умеренных скоростей и нагрузок.
- Нержавеющие: 12Х18Н10Т, 20Х23Н18 — при работе в коррозионной среде.
- Жаропрочные: ХН77ТЮР, ЭИ439 — для высокотемпературных установок.
Характеристики при выборе
- Передаваемый момент и скорость – главный критерий выбора модуля, ширины венца и марки стали.
- Требования по шуму – чем ниже допустимый уровень, тем выше класс точности и качество шлифования.
- Габаритные ограничения – определяют возможный диаметр и ширину венца.
- Условия эксплуатации – влажность, пыль, температурные колебания, агрессивные среды.
- Сервис и ресурс – наличие системы смазки, возможность ревизии и замены.
Преимущества
- Очень плавное и тихое зацепление благодаря постепенному входу зубьев.
- Высокая несущая способность при компактных размерах.
- Возможность работы на больших скоростях и передач больших крутящих моментов.
- Повышенный КПД по сравнению с прямозубыми коническими передачами.
Недостатки
- Сложное и дорогое изготовление, требующее высокоточных станков и шлифования.
- Чувствительность к точности сборки: перекос валов вызывает локальные перегрузки.
- Требуется качественная система смазки и охлаждения при высоких скоростях.
Применение по отраслям
| Автомобильная промышленность | главные передачи заднего моста, раздаточные коробки, рулевые механизмы | 
| Судостроение | гребные редукторы и вспомогательные механизмы, где важны высокая мощность и тихий ход | 
| Авиастроение | узлы изменения угла винта, редукторы вспомогательных агрегатов | 
| Горнодобывающая и карьерная техника | тяжёлые редукторы конвейеров и экскаваторов | 
| Энергетика | редукторы паровых и газовых турбин, приводы насосов высокого давления | 
| Металлургия | главные приводы прокатных станов, где требуется высокая надёжность при больших моментах | 
Конические спиральные шестерни объединяют высокую нагрузочную способность, плавность хода и сравнительно компактные размеры. При грамотном расчёте геометрии, правильной термообработке и точной установке они обеспечивают долгий ресурс и надёжность даже в самых тяжёлых промышленных условиях.
 
                         
            






